|
Tom
Grand Master of Rocketry
Administrator

Registriert seit: Aug 2000
Wohnort: Neustadt
Verein: T2 , SOL-1
Beiträge: 5257
Status: Offline
|
Nachdem Charly uns die Deluxe-Version eines Zündgerätes vorgestellt hat, möchte ich mit euch zusammen einen einfachen, auch für den Nicht-Elektroniker verständlichen Vorschlag eines Startgerätes erarbeiten. Als erster Vorschlag einer Zünderprüfung möchte ich folgendes vorschlagen: S1 schliesst im unbetätigten Fall den Zünder kurz. Der Messpunkt zur Auswertung liegt an Masse. Man könnte hier über einen Atmel die 0 in Verbindung des nichtbetätigten S1 als "Sicherheit" auswerten. S1 unbetätigt, Messpunkt auf Masse = Sicherheit Wird der S1 betätigt, öffnet sich der Öffner von S1, und legt über den 100k Widerstand die Ubb an den SN0. Da dieser aber sehr niederohmig ist, wird sich der Messpunkt wiederum auf Massepotenzial einstellen. Die Auswertung könnte dann sein: S1 betätigt, Messpunkt auf Masse = Zünder i.O. S1 Betätigt, Messpunkt auf Ubb = Zündkreis unterbrochen oder Zünder hochohmig. Wer macht mit den Ideen weiter ? Gruß Tom
Geändert von Tom am 14. Juli 2007 um 20:03
|
|
Neil
99.9% harmless nerd
Administrator

Registriert seit: Aug 2000
Wohnort: Delft
Verein: SOLARIS
Beiträge: 7776
Status: Offline
|
Hi,
sehe ich das richtig, das S1 eine Doppelfunktion hat? Einmal als Öffner (parallel zum Zünder) und einmal als Schließer (in Reihe zum Zünder).
Gruß
Neil
Die Erde ist eine Scheibe. Egal in welche Richtung sich die Menschheit bewegt, sie geht immer auf einen Abgrund zu.
|
|
Tom
Grand Master of Rocketry
Administrator

Registriert seit: Aug 2000
Wohnort: Neustadt
Verein: T2 , SOL-1
Beiträge: 5257
Status: Offline
|
Zitat: Original geschrieben von Neil
Hi,
sehe ich das richtig, das S1 eine Doppelfunktion hat? Einmal als Öffner (parallel zum Zünder) und einmal als Schließer (in Reihe zum Zünder).
Gruß
Neil
Richtig. Für ein T2 konformes Zündgerät möchte ich den SN0 im Ruhezustand kurzgeschlossen halten. Gruß Tom
|
|
Tom
Grand Master of Rocketry
Administrator

Registriert seit: Aug 2000
Wohnort: Neustadt
Verein: T2 , SOL-1
Beiträge: 5257
Status: Offline
|
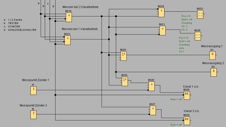
Die dahinter stehende Logik könnte wie folgt aussehen: Das Ganze ist Teil einer Schaltlogik für eine Siemens LOGO! Steuerung (allerdings noch nicht fertig...) Die Bausteine B0028 und B0029 speichern das "Messergebnis" und deren Ausgänge sollen weitere Gatter mit diesem Signal versorgen. B0023 und B0025 sind nur Meldetexte fürs Display. Gruß Tom
Geändert von Tom am 15. Juli 2007 um 11:07
|
|
Neil
99.9% harmless nerd
Administrator

Registriert seit: Aug 2000
Wohnort: Delft
Verein: SOLARIS
Beiträge: 7776
Status: Offline
|
Zitat: möchte ich mit euch zusammen einen einfachen, auch für den Nicht-Elektroniker verständlichen Vorschlag eines Startgerätes erarbeiten.
Das beißt sich aber mit dem Logo Diagramm Vielleicht wäre es einfacher, die ganze Sache von hinten aufzuzäumen und erstmal die einfachste aller Schaltungen zu zeichnen. Sprich, Batterie, Schalter und Zündern. Dann im nächsten Schritt das ganze mit Kurzschluß versehen und dann mit Testschaltung um den Zünder auszuwerten. Bei der jetzigen schaltung oben, ist mir noch nicht ganz klar wie ich z.B. den funktionieren Zündkreis mit einer LED anzeigen kann, da ja der Schalter kurzschließt. Gruß Neil
Die Erde ist eine Scheibe. Egal in welche Richtung sich die Menschheit bewegt, sie geht immer auf einen Abgrund zu.
|
|
Tom
Grand Master of Rocketry
Administrator

Registriert seit: Aug 2000
Wohnort: Neustadt
Verein: T2 , SOL-1
Beiträge: 5257
Status: Offline
|
Zitat: Original geschrieben von Neil
Zitat: möchte ich mit euch zusammen einen einfachen, auch für den Nicht-Elektroniker verständlichen Vorschlag eines Startgerätes erarbeiten.
Das beißt sich aber mit dem Logo Diagramm
Vielleicht wäre es einfacher, die ganze Sache von hinten aufzuzäumen und erstmal die einfachste aller Schaltungen zu zeichnen. Sprich, Batterie, Schalter und Zündern. Dann im nächsten Schritt das ganze mit Kurzschluß versehen und dann mit Testschaltung um den Zünder auszuwerten. Bei der jetzigen schaltung oben, ist mir noch nicht ganz klar wie ich z.B. den funktionieren Zündkreis mit einer LED anzeigen kann, da ja der Schalter kurzschließt.
Gruß
Neil
Nun, nicht ganz ... Man kann eine Logik verstehen ohne zu wissen wie ein Transistor funktioniert. Die Zündkreise die i.O. sind werden im RS-Flipflop (Selbsthalte-Relais) gespeichert. Die Ausgänge derer werden weiter verdrahtet. Aber ich finde Deinen Vorschlag das Pferd von hinten aufzuzäumen garnicht schlecht. Mach mal !  Gruß Tom
|
|
Neil
99.9% harmless nerd
Administrator

Registriert seit: Aug 2000
Wohnort: Delft
Verein: SOLARIS
Beiträge: 7776
Status: Offline
|
Hi, hier mal meine Idee dazu: Oben: Einfacher Zündkreis mit einer Batterie, Taster (S1) und Zünder (roter Punkt). Die kleinen Kreise stellen Klemmen dar. Man kann somit einmal eine Batterie anklemmen und den Zünder. Mitte: Parallel zum Zünder wurde ein Schalter (S2) geschaltet, der einrasten kann. Dieser schließt den Zündkreis kurz. Würde bei geschlossenen S2 der Taster S1 betätigt, fließt der ganze Strom durch S2. Das Potential (Spannung) am Zünder ist in jedem Fall 0. Man kann S2 auch als Taster ausführen. Dann muss der Taster aber im aktiven (gedrückten) Zustand geöffnet sein. Unten: Zu der Schaltung kommt noch der Prüfkreis hinzu. Dieser besteht aus dem Taster S3 einem Widerstand (R1) und einer Leuchtdiode (D1). Wird S3 gedrückt, fließt ein strom über den Zünder durch die Diode und den Widerstand. Ist der Zünderkreis nicht geschlossen, so fließt kein Strom und die Diode leuchtet nicht. Der Widerstand sollte so gewählt werden, das der Strom passend zu der Batteriespannung nicht größer wird als der Zündstrom. Um diesen auszulegen braucht man den minimalen Zündstrom und die Batteriespannung. Ich würde den strom minimal klein wählen, also gerade so groß, das die Diode leuchtet. Es ist zu beachten, das auch bei kurzgeschlossenem Zündkreis über S2, die Diode einen geschlossenen Zündkreis anzeigen würde. Gruß Neil
Die Erde ist eine Scheibe. Egal in welche Richtung sich die Menschheit bewegt, sie geht immer auf einen Abgrund zu.
|
|
Reinhard
Überflieger

Registriert seit: Sep 2003
Wohnort: Österreich
Verein: TRA #10691, AGM
Beiträge: 1187
Status: Offline
|
Zitat: Original geschrieben von Tom Richtig. Für ein T2 konformes Zündgerät möchte ich den SN0 im Ruhezustand kurzgeschlossen halten.
Hi, woher kommt eigentlich diese Forderung? Ich habe mir darüber schon öfters den Kopf zerbrochen, aber so richtig nachvollziehen kann ich diese Maßnahme nicht. In Sachen ESD sind die Zünder laut Spezifikation eigentlich relativ robust, vor allem wenn die Entladung über die niederohmige Brücke erfolgt (Andernfalls hilft der Kurzschluss sowieso nichts). Gegenüber RF Einstrahlung macht der Kurzschluss die Sache nur noch schlimmer (Induktionsschleife). Zumindest in der UVV-Sprengarbeiten wird das Kurzschließen nicht gefordert (sondern im Kommentar sogar davor gewarnt). Gibt es dazu irgendwo eine offizielle Quelle die ich nicht gefunden habe? Gruß Reinhard
|
|
Tom
Grand Master of Rocketry
Administrator

Registriert seit: Aug 2000
Wohnort: Neustadt
Verein: T2 , SOL-1
Beiträge: 5257
Status: Offline
|
Zitat: Original geschrieben von Reinhard
Zitat: Original geschrieben von Tom Richtig. Für ein T2 konformes Zündgerät möchte ich den SN0 im Ruhezustand kurzgeschlossen halten.
Hi, woher kommt eigentlich diese Forderung?
Gruß Reinhard
Hallo Reinhard, das ist in der Tat eine gute Frage. Ich habe dies beim T2 Lehrgang der RAMOG vor Jahren so gelernt und es halten sich eigentlich fast alle Flieger die ich kenne an diese Forderung. Einige sagen exakt das was Du geschrieben hast (Robustheit), andere schwören auf die Kurzschlussbrücke zur Sicherheit. Man könnte das Thema nochmal erörtern, aber wenn ich mich recht erinnere war da nicht mal ein ähnlicher Thread ? Gruß Tom
Geändert von Tom am 15. Juli 2007 um 21:36
|
|
Turambar
SP-Schnüffler
Moderator

Registriert seit: Jun 2005
Wohnort: Österreich
Verein:
Beiträge: 874
Status: Offline
|
Hi,
Ich stelle mir nicht die Frage nach dem "Warum", sondern eher nach dem "Wozu?" Wenn ich ein Startgerät mit Schlüsselschalter ("Strom an"), Kippschalter ("Zündkreisprüfung"), und Taster (Start) habe, warum muss ich dann den SN0 kurzschließen? Mir fällt gerade keine gute Erklärung ein, vielleicht steh ich aber nur auf'm Schlauch ^^
Bei der Eroberung des Weltraums sind zwei Probleme zu lösen: Die Schwerkraft und der Papierkrieg. Mit der Schwerkraft wären wir fertig geworden. - Wernher Freiherr von Braun
http://are.modellraketen.at
MfG Stefan
|
|
|