| Autor | Thema |
|---|---|
|
Reinhard
Überflieger Registriert seit: Sep 2003 Wohnort: Österreich Verein: TRA #10691, AGM Beiträge: 1187 Status: Offline |
Beitrag 77868
[
Hi,
wie wäre es mit diesem Alternativvorschlag (das restliche Drumherum habe ich mir gespart)?: Q2 dient zur Zündung R1/R2/Q3 passen das Steuersignal für Q1 an (0/5V  12/0V) welcher dazu dient den Zünder kurz zu schließen. R3 dient als Konstantstromquelle, wenn er hoch genug gewählt ist (1-10k) sollte sich der Strom vom Zünderwiderstand nicht nennenswert beeinflussen lassen (wobei mir gerade auffällt, das dann die Batteriespannung Einfluss auf des Messergebnis hat, also doch besser eine richtige Stromquelle) Der angedeutete Verstärker IC1A ist einerseits notwendig um den Spannungsoffset von knapp 12V anzupassen, und andererseits ermöglicht er bei einem kleinen Meßstrom den Eingangsbereich des ADC besser auszunutzen. Hier würde sich z.B. ein INA145 anbieten oder eine Schaltung aus einem OPV und 4 Widerständen, wie sie auch Teil des INAs ist. Gruß Reinhard Folgende Datei wurde angehängt: |
|
CharlyMai
Foren-Prediger
Registriert seit: Mär 2005 Wohnort: Fuhrberg Verein: SOLARIS-RMB e.V. (P2;T2) / AGM / TRA#21598 Beiträge: 1980 Status: Offline |
Beitrag 77948
[
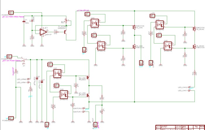
Soo, nun habe ich noch 2 Hilfsspannungen (+16V und +7V) eingefügt, und die Ansteuerung der FET's Optokopplern überlassen .....
Fehler ?? Anmerkungen ?? viele Grüße Pierre Schaltstufe : Folgende Datei wurde angehängt: •"Der Glaube an eine bestimmte Idee gibt dem Forscher den Rückhalt für seine Arbeit. Ohne diesen Glauben wäre er verloren in einem Meer von Zweifeln und halbgültigen Beweisen." Konrad Zuse •Konstruiere ein System, das selbst ein Irrer anwenden kann, und so wird es auch nur ein Irrer anwenden wollen. SOLARIS-RMB e.V. AGM |
|
CharlyMai
Foren-Prediger
Registriert seit: Mär 2005 Wohnort: Fuhrberg Verein: SOLARIS-RMB e.V. (P2;T2) / AGM / TRA#21598 Beiträge: 1980 Status: Offline |
Beitrag 77949
[
•"Der Glaube an eine bestimmte Idee gibt dem Forscher den Rückhalt für seine Arbeit. Ohne diesen Glauben wäre er verloren in einem Meer von Zweifeln und halbgültigen Beweisen." Konrad Zuse •Konstruiere ein System, das selbst ein Irrer anwenden kann, und so wird es auch nur ein Irrer anwenden wollen. SOLARIS-RMB e.V. AGM |
|
Reinhard
Überflieger Registriert seit: Sep 2003 Wohnort: Österreich Verein: TRA #10691, AGM Beiträge: 1187 Status: Offline |
Beitrag 77953
[
Hi,
die Prüfstromkreise ließen sich durch die Verwendung eines Analogswitches wie den MAX4690 noch etwas vereinfachen. Gruß Reinhard |
|
CharlyMai
Foren-Prediger
Registriert seit: Mär 2005 Wohnort: Fuhrberg Verein: SOLARIS-RMB e.V. (P2;T2) / AGM / TRA#21598 Beiträge: 1980 Status: Offline |
Beitrag 77954
[
joa Reinhard ..
da ich sowieso mehr als 8 zu messende Spannungen habe (der Plan oben ist für EINE Zündstufe, also das ganze *4) brauche ich sowieso noch einen Analog Switch, der mir die diversen Spannungen auf meine 8 AD Kanäle verteilt .... einen extra AD Wandler wollte ich nicht einsetzen .... so long Pierre •"Der Glaube an eine bestimmte Idee gibt dem Forscher den Rückhalt für seine Arbeit. Ohne diesen Glauben wäre er verloren in einem Meer von Zweifeln und halbgültigen Beweisen." Konrad Zuse •Konstruiere ein System, das selbst ein Irrer anwenden kann, und so wird es auch nur ein Irrer anwenden wollen. SOLARIS-RMB e.V. AGM |
|
CharlyMai
Foren-Prediger
Registriert seit: Mär 2005 Wohnort: Fuhrberg Verein: SOLARIS-RMB e.V. (P2;T2) / AGM / TRA#21598 Beiträge: 1980 Status: Offline |
Beitrag 78024
[
Hmm keine Reaktion mehr auf die Optokoppler ..... ??
Kann ich das denn nun so verwenden, oder habe ich da noch einen Fehler inne ??? Grüße Pierre •"Der Glaube an eine bestimmte Idee gibt dem Forscher den Rückhalt für seine Arbeit. Ohne diesen Glauben wäre er verloren in einem Meer von Zweifeln und halbgültigen Beweisen." Konrad Zuse •Konstruiere ein System, das selbst ein Irrer anwenden kann, und so wird es auch nur ein Irrer anwenden wollen. SOLARIS-RMB e.V. AGM |
|
Tom
Grand Master of Rocketry
Registriert seit: Aug 2000 Wohnort: Neustadt Verein: T2 , SOL-1 Beiträge: 5257 Status: Offline |
Beitrag 78026
[
Zitat: Nur eine kleine am Rande: Warum einfach, wenn es auch kompliziert geht ? ![]() Ausserdem wird die Möglichkeit von auftretenden Fehlern innerhalb der Schaltung maximiert. Gruss Tom |
|
CharlyMai
Foren-Prediger
Registriert seit: Mär 2005 Wohnort: Fuhrberg Verein: SOLARIS-RMB e.V. (P2;T2) / AGM / TRA#21598 Beiträge: 1980 Status: Offline |
Beitrag 98018
[
Sooooo, was lange währt ......
Ich habe das Projekt natürlich noch nicht aufgegeben, und etwas Abwechselung vom Kursschreiben muss ja nun auch sein .... Ich habe mich entschlossen, anstatt des Text-Display (LCD) ein Grafisches Display (GLCD) zu verwenden. Die Programmierung findet natürlich in Bascom statt.... Hier mal eine Vorschau : "Begrüßung" Erste Aufteilung des GLCD •"Der Glaube an eine bestimmte Idee gibt dem Forscher den Rückhalt für seine Arbeit. Ohne diesen Glauben wäre er verloren in einem Meer von Zweifeln und halbgültigen Beweisen." Konrad Zuse •Konstruiere ein System, das selbst ein Irrer anwenden kann, und so wird es auch nur ein Irrer anwenden wollen. SOLARIS-RMB e.V. AGM |
|
CharlyMai
Foren-Prediger
Registriert seit: Mär 2005 Wohnort: Fuhrberg Verein: SOLARIS-RMB e.V. (P2;T2) / AGM / TRA#21598 Beiträge: 1980 Status: Offline |
Beitrag 98026
[
Und weiter geht es mit der Oberfläche .....
Hier erfolgt die Auswahl der gewünschten Betriebsart per "Up" und "Down" Taster viele Grüße Pierre •"Der Glaube an eine bestimmte Idee gibt dem Forscher den Rückhalt für seine Arbeit. Ohne diesen Glauben wäre er verloren in einem Meer von Zweifeln und halbgültigen Beweisen." Konrad Zuse •Konstruiere ein System, das selbst ein Irrer anwenden kann, und so wird es auch nur ein Irrer anwenden wollen. SOLARIS-RMB e.V. AGM |
|
Andreas B.
Grand Master of Rocketry Registriert seit: Nov 2002 Wohnort: Freistaat Sachsen Verein: AGM (P2,L2) TRA#9711 Beiträge: 5467 Status: Offline |
Beitrag 98077
[
Hi Pierre,
na da ist Dein Launch Control Pad deluxe ja noch rechtzeitig vor den diesjährigen RJD's fertig geworden, super! Stellst Du es uns denn jetzt als zentrales Startgerät zur Verfügung? Auf alle Fälle wäre das eine harte Bewährungsprobe unter extremen Bedingungen...;-) Beim RJD 2005 hatten wir insgesammt 186 Starts, da hat so Gerät schon ganz schön was zu leisten. Für den Notfall hätten wir ja dann noch mein in den letzten Jahren bewährtes "analoges" 3 Kanal Startgerät... VG Andreas |





